Назначение
Блок расширения «БШС4» представляет из себя устройство для работы в составе системы «КАРАТ» и предназначен для расширения информационной емкости прибора КАРАТ, сбора, анализа и передачи в центральный блок КАРАТ информации о состоянии охранных и пожарных извещателей, а также линий оповещения. Кроме того, «БШС4» осуществляет прием и выполнение командот ЦБ, а также запуск местного оповещения.
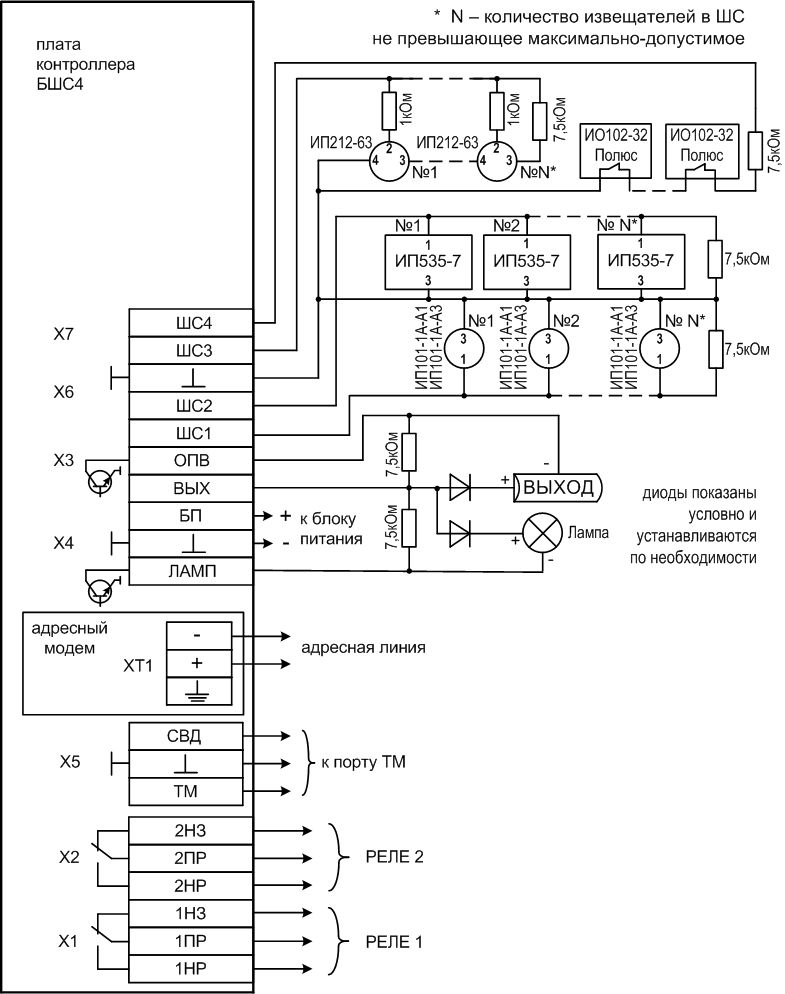
Прибор «КАРАТ» позволяет подключить до 57-ми блоков расширения «БШС4». Подключение блока к прибору осуществляется по 2-х проводной линии. Схема подключения и обозначения клеммников – см. рис. 7.
На панели блока расположены светодиодные индикаторы состояния шлейфов сигнализации и режима работы.
Канал связи между ЦБ и внешними блоками БШС4 защищен несколькими способами, обеспечивающими гарантированную доставку и закрытость информации, а также серьезно осложняющими внешние попытки вмешательства в работу системы.
Особенности
- Подключение внешнего (местного) оповещателя
- Светодиодные индикаторы ШС отображают состояние каждого из 4-х шлейфов
- Задание параметров ШС осуществляется с помощью БИУ
- 2 исполнительных реле с перекидными контактами для каждой пары ШС
- Подключение скважины ключа Touch Memory
Оплата
Оплатить заказ Вы можете безналичным переводом по реквизитам, указанным в выставленном счёте после оформления заказа.
Доставка
«Альянс групп»предоставляет полный комплекс услуг по доставке оборудования в любую точку страны, любым видом транспорта.
Получить приобретённый товар Вы можете удобным для Вас способом:
- Самовывозом с нашего склада, расположенного по адресу- г. Москва, 104 км. МКАД, д. 8А.
- Воспользоваться услугой доставки в пределах Москвы и Московской области. Заказ и согласование даты доставки осуществляется через Вашего менеджера.
Если сумма заказа превышает 50 тыс. рублей, доставка по одному адресу Получателя осуществляется БЕСПЛАТНО.
- Доставка заказа в регионы России осуществляется через транспортные компании. Доставка груза до транспортной компании производится нашим транспортом.
Тарифы доставки по Москве:
При сумме заказа менее 50 тыс. рублей, доставка по Москве осуществляется по тарифам зоны:
- зона 3 — 500 руб.;
- зона 1 — 1000 руб.;
- зона 2, 4 — 1500 руб.;
- зона 5 — 2000 руб
Транспортные компании, с которыми мы сотрудничаем:
- Деловые линии
- Байкал-Сервис
- СДЭК
- Энергия
- Другим удобным для вас способом по согласованию
























