Назначение
Прибор «ВС-ПК ВЕКТОР-120» предназначен для обеспечения защиты охраняемого объекта от пожара и несанкционированного проникновения. Прибор работает как автономно, так и совместно с пультовой системой, системой передачи извещений ВЕТТА-2020. Прибор «ВС-ПК ВЕКТОР-120» входит в семейство радиоканальных приемно-контрольных приборов ВС-ВЕКТОР-АР.
Особенности
- Прибор работает с 64 радиоканальными извещателями и оповещателями, радиоканальными тревожными и сигнальными кнопками (радиоканальные устройства). Общее количество радиоканальных оповещателей, подключаемых к прибору – до 24.
- Прибор имеет 20 адресных зон охраны, каждой зоне соответствует индикатор ее состояния. За каждой зоной могут быть закреплены один или более радиоканальных извещателей. Возможно закрепление за одной зоной охранных или пожарных извещателей. Прибор имеет одну зону беспроводного оповещения, за которой закрепляются все радиоканальные оповещатели.
- Взаимодействие прибора с радиоканальными устройствами обеспечивается с помощью обмена данными по радиоканалу на частоте 433 МГц.
- В приборе реализована двухсторонняя связь с радиоканальными устройствами по двум независимым каналам приема-передачи. Высокая помехозащищенность радиоканала достигнута возможностью выбора рабочих частот прибора из 16 частотных литер. Передача данных выполняется с помощью зашифрованных сообщений.
- Мощность радиосигнала не превышает 10 мВт, не требуется разрешение и регистрация.
- Дальность передачи данных по радиоканалу между прибором и радиоканальными устройствами — до 600 метров на открытой местности.
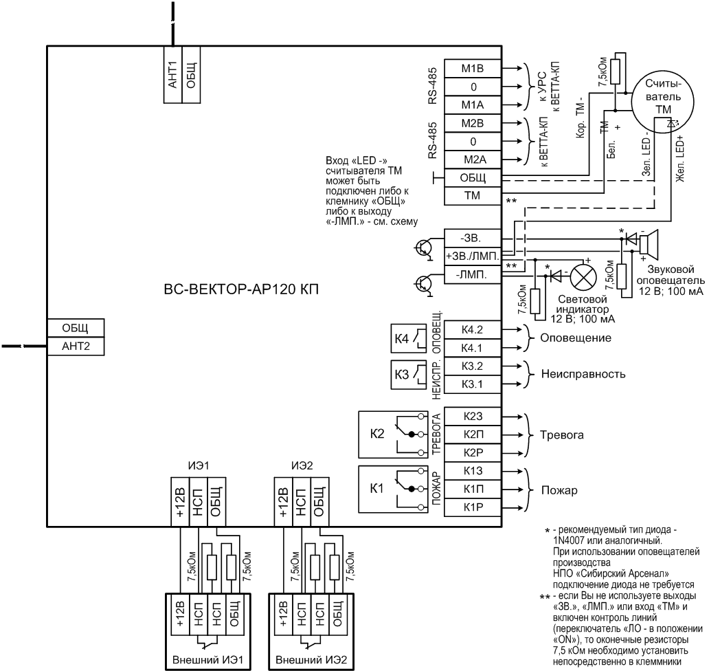
- Возможность подключения к прибору проводного светового и звукового оповещателя. Световой оповещатель индицирует постановку прибора на охрану.
- Наличие интерфейса RS-485 для работы с пультовой системой ВЕТТА – 2020 или подключения устройства регистрации событий.
- Управление прибором выполняется радиобрелками, радиоканальными кодонаборными панелями и ключами ТМ. Брелки и ключи могут управлять одной или несколькими зонами — разделами. Возможно управление с пульта системы ВЕТТА-2020.
- Прибор ведет электронный журнал событий. При автономной работе прибора журнал доступен с помощью компьютерной программы и устройства регистрации событий (УРС), а при работе в составе системы ВЕТТА-2020 — с помощью средств пульта.
- У прибора простой и удобный интерфейс для пользователя, настройка прибора не вызывает затруднений.
| Количество адресных зон охраны | 20 | Общее количество радиоканальных извещателей различных типов, радиоканальных оповещателей различных типов, радиоканальных тревожных и сигнальных кнопок на один прибор, не более, шт. | 64 | Максимальное количество радиоканальных оповещателей на один прибор, шт. | 24 | Общее количество радиоканальных брелков, паролей кодонаборных панелей и электронных ключей ТМ на один прибор, не более, шт. | 128 | Максимальная дальность связи радиоустройств с прибором на открытой местности, м | до 600 | Количество интерфейсов RS-485, шт. | 2 | Максимальная длина линии связи RS485 при площади сечения проводов 0,2 мм2, м | до 1000 | Количество событий, сохраняемых в журнале событий прибора, шт. | 10000 | Количество реле прибора | 4 | Параметры реле 1, реле 2: коммутируемое напряжение переменного тока, не более, В коммутируемое напряжение постоянного тока, не более, В коммутируемый ток, не более, А | 250 24 3 | Параметры реле 3, реле 4: коммутируемое напряжение постоянного тока, не более, В коммутируемый ток, не более, А | 100 0,1 | Напряжение питания прибора, В | от 10,5 до 15 | Ток, потребляемый прибором в рабочем режиме, без учета потребления внешними проводными оповещателями, не более, мА | 100 | Суммарный ток по выходам «-ЛАМПА», «-ЗВУК», не более, мА | 200 | Диапазон рабочих температур, °C | от -30 до +55 | Степень защиты от воздействия окружающей среды | IP40 | Масса, не более, кг | 0,6 | Габаритные размеры, не более, мм | 254х165х39 | Срок службы, лет | 10 |
Оплата
Оплатить заказ Вы можете безналичным переводом по реквизитам, указанным в выставленном счёте после оформления заказа.
Доставка
«Альянс групп»предоставляет полный комплекс услуг по доставке оборудования в любую точку страны, любым видом транспорта.
Получить приобретённый товар Вы можете удобным для Вас способом:
- Самовывозом с нашего склада, расположенного по адресу- г. Москва, 104 км. МКАД, д. 8А.
- Воспользоваться услугой доставки в пределах Москвы и Московской области. Заказ и согласование даты доставки осуществляется через Вашего менеджера.
Если сумма заказа превышает 50 тыс. рублей, доставка по одному адресу Получателя осуществляется БЕСПЛАТНО.
- Доставка заказа в регионы России осуществляется через транспортные компании. Доставка груза до транспортной компании производится нашим транспортом.
Тарифы доставки по Москве:
При сумме заказа менее 50 тыс. рублей, доставка по Москве осуществляется по тарифам зоны:
- зона 3 — 500 руб.;
- зона 1 — 1000 руб.;
- зона 2, 4 — 1500 руб.;
- зона 5 — 2000 руб
Транспортные компании, с которыми мы сотрудничаем:
- Деловые линии
- Байкал-Сервис
- СДЭК
- Энергия
- Другим удобным для вас способом по согласованию
























